cat mini excavator controls
Center Levers or Foot Controls - Operate the Tracks of the. IME Cat controls are more popular in the US.
Caterpillar Unveils New 2 7 To 3 5 Tonne Mini Hydraulic Excavators Industrial Vehicle Technology International
Instructional video that show you the basic controller to operate a excavator.

. Dont let the word mini fool you. First thing is to make sure the Safety lever to the left near the door of the cab must be down to operate any controls. From heavy civil earthworks to land reclamation and mining we have the machines for large scale projects.
Heavy Equipment Operator Training - How to Operate a Mini-Excavator. Learn how to use the control monitor on the next gen Cat mini-excavator models 306 to 310 in this short video from Peterson Cat Demo Operator Travis RossS. The mini excavatora smaller cousin to the large ex.
C11 Turbo C11 Turbo. Due to its compact design simple dual joystick controls and versatile operations a mini excavator can be used for several different tasks. 1-2 Ton Cat Mini Excavators at a Glance.
You can now create an account to. Net Power - 2400 rpm - ISO 9249 801269EEC. The Cat pattern IS SAE standard for a large.
The Cat 3035 CR Mini Excavator delivers high performance in an under 2-ton compact size machine for construction landscaping and demolition jobs. Certainly with the larger outfits. Learn basic safety operations for a mini hydraulic excavator.
See the versatility of the 12-ton Cat mini excavators in action as they adapt to tight. Dec 8 2021. A Variety of Uses for Mini Excavators.
Net power advertised is the power available at the flywheel when the engine is. Caterpillar now offers Cat Grade technologies as an aftermarket option to owners of Cat next generation mini hydraulic excavators in the 6- to 10-ton class. In the ISO control pattern the left hand joystick controls Swing left right and the Stick Boom away.
The most commonly used control pattern throughout the world is the ISO controls. It seems odd to call Cat SAE and Deere ISO. Cat small medium and large excavators pick up where our mini-excavators leave off.
Fit industry-first specs in a mini machine. 236 HP 176 kW.
Video Cat Launches The 304 And 305 Cr Next Generation Mini Excavators The Heavyquip Magazine
How To Choose Cat Skid Steer Loader Avesco Construction Equipment
Caterpillar Construction Fleet Excavator Walmart Com
2017 Cat 305e2 Cr Mini Excavator In Olathe Kansas United States Ironplanet Item 5924111
Cat Excavator Pattern Change To Backhoe Pattern Cat John Deere Pattern Change Youtube
Cat Mini Excavator Cat Caterpillar
Stick Steer On The Cat Next Generation Mini Excavators Youtube
Caterpillar Next Gen Mini Excavators Construction Equipment
New Cat Excavators For Sale In California Arizona
How To Operate A Cat Excavator H O Penn
2019 Cat 303 5e2 Cr Mini Excavator In Jonesboro Arkansas United States Ironplanet Item 5357112
Caterpillar Rolls Out Cat Command Remote Control For Excavators For Construction Pros
1 16 Cat 320 Radio Control Excavator With Bucket Grapple And Hammer Diecast Masters America
Next Generation Cat Mini Excavators Designed For Optimum Customer Value Cat Caterpillar
How To Operate A Mini Excavator Mini Excavator Controls Youtube
How To Operate A Cat Excavator H O Penn
Cat Home Has Arrived We Re Going Live On Facebook On Wednesday April 8th At 12 00 Bst 13 00 Cet With Product Specialist Alex Macdonald Who Will By Cat Construction Europe
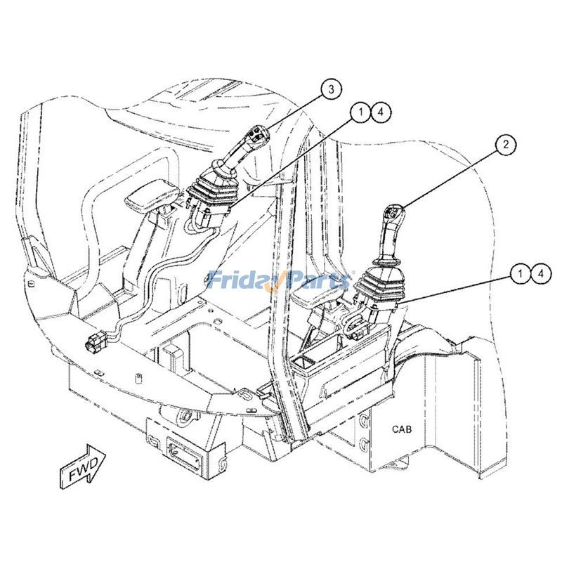
Buy Joystick Control 515 7112 515 7113 R L For Caterpillar Cat Excavator 301 8 301 5 301 6 306 307 5 308 308 5 309 310
Excavator Controls Hi Res Stock Photography And Images Alamy